Rainbow2L-T30F网络化跳频数据链端机

产品概述:

GT-PU6140-L12网络化跳频数据链端机是一款30公里级宽带图/数/控一体化网络数据传输产品。该产品采用高效率TDD-TDMA组网和软件无线电架构实现,集成度高,具备较低功耗和体积重量,满足客户开发无人机/船/车等无人驾驶系统、视频监控等业务产品需求,产品具有跳频抗干扰能力和星型组网能力,并具备多种业务接口,支持业务数据透明传输,可以无缝碰口各类应用业务需求。

技术特点:

1、 L频段工作(可定制UHF/S/C频段);

2、 双向透明数据传输,支持网络和串行数据双向并发;

3、 100M以太网和RS232串行数据接口;

4、 支持发射天线自动切换,规避机身遮挡问题;

5、 1000H/s跳频抗干扰;

6、 支持单站单机(点对点)、一站多机(点对多点)星型组网;

7、 低延时遥控遥测传输;

8、 全域带宽保证图//控一体传输;

9、 轻巧体积重量,低功耗,安装使用便捷。




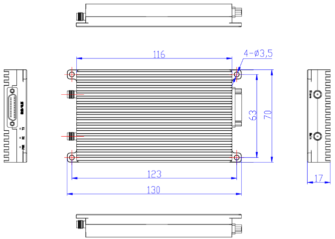
设备外观:





技术指标:

项目

规格

设备型号

GT-PU6140-L12

系统参数

工作频率

1300~1500MHz

信道带宽

20MHz

双工多址方式

TDD-TDMA

调制模式

COFDM-BPSK/QPSK

数据速率

2Mbps/机(14机)/8Mbps11机),遥控150kbps(广播)

网络容量

11~4

组网形式

星型或点对点

发射功率

2W(峰值)

接收灵敏度

-96dBm/-99dBm(下行/上行,@1E-5 BER

抗干扰

1000/秒随机图案跳频,40dB干信比容忍

典型通信距离

30公里(空地通视无干扰)

传输时延

10ms(单向端到端)/50ms14机端到端)

链路保密

AES128

供电方式

+9~36V DC

功耗

25W(发射)/12W(接收)

天线

机载:2dBi玻璃钢全向天线 x2(其他类型可选)

地面:8dBi玻璃钢全向天线 x2(其他类型可选)

设备接口

天线接口

SMA-K x2

数据接口

100M以太网 x1/RS-232(支持115200波特率),J30JZLN25ZKW连接器

电源

J30JZLN25ZKW连接器集成

物理/环境指标

设备尺寸

116*70*17mm(不含安装孔)/130*70*17mm(安装尺寸)

设备重量

220g±10g(不含天线和线缆)

工作环境温度

-40 ~ +60